classen sod cutter parts
Ad Replacement Parts For Your Classen Sod Cutter. Classen Sc 18 5 5 Sn 000101 To 003955.
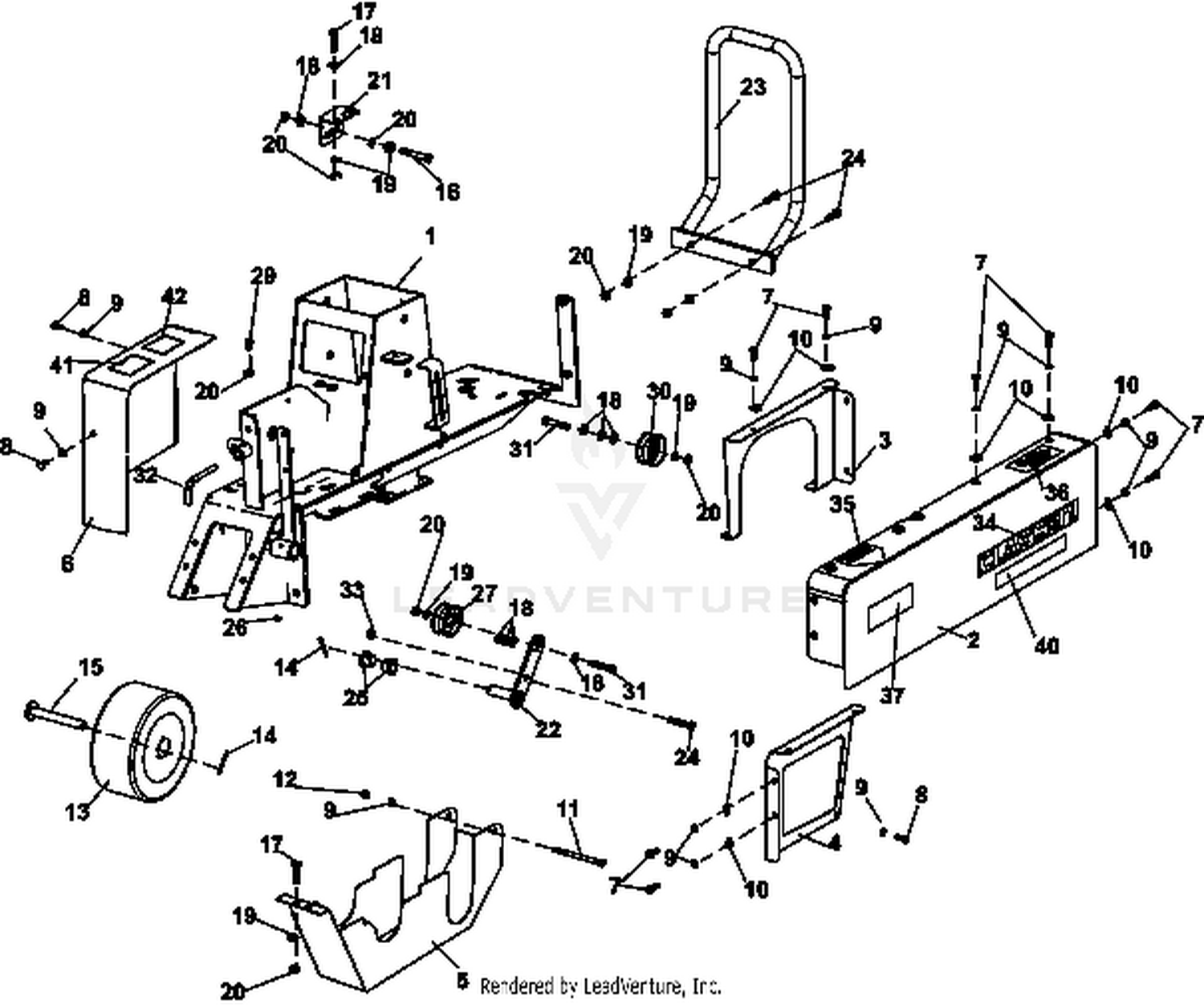
Classen Sod Cutter Hsc18ahd 2018 Ifixit
Classen HSC185 Exploded View parts lookup by model.
. Use our interactive diagrams accessories and expert repair help to fix your Classen products 877-346-4814. Classen SC-1855 SN 000101 to 003955 Exploded View parts lookup by model. HYDRO-DRIVE SOD CUTTER PARTS MANUAL HYDRO-DRIVE WALK-BEHIND SOD CUTTER SCHV-1255 - SN.
Classen SodTurf Cutter SC18. SOD CUTTER IMPORTANT MESSAGE Thank you for purchasing this Classen product. Used Classen SC-18 Sod Cutter.
DIY Has Never Been Easier. SC-188HP 18 Classen Sod Cutter with 8hp Honda GX240 engine. Classen Sod Cutter Parts Lookup by Model.
It is EASY and FREE. Parts Lookup - Enter a part number or partial description to search for parts within this model. C500003 In Stock 6 available This item is an authentic Classen replacement part that has been sourced from the original.
Items included in this order. You have purchased a world class product one of the best designed and built anywhere. Parts Lookup - Enter a part number or partial description to search for parts within this model.
4 CLASSEN SOD CUTTER. Classen is Serious Lawn Care Made Easy. This unit needs work and is being sold AS-IS for parts or repair.
SOD CUTTER IMPORTANT MESSAGE Thank you for purchasing this Classen product. Classen products parts that fit straight from the manufacturer. Whether your project is relocating or re-positioning sod expanding an existing flower bed or establishing a new planting area a.
Classen Sod Cutter Parts Lookup by. Ad Replacement Parts For Your Classen Sod Cutter. Year Range for Classen SodTurf Cutter SC18 2009 Classen SodTurf Cutter SC18.
Classen Parts Genuine Part C100016 Blade 18 Sod Cutter. Complete exploded views of all the major manufacturers. Classen gear-drive sod cutters deliver the precise cut you need.
Classen SC-1855 SN 000101 to 003955 Main Frame Exploded View parts lookup by model. It is EASY and FREE. Whether Youre Shopping For New Tools Or Replacing Old Ones Lowes Is Here To Help.
With over 30 years of experience in the industry Classen has established itself as a true force in grounds care as well as the brand of choice for. Search the entire SC-1855 for your part by name. Complete exploded views of all the major manufacturers.
Exclusive Savings On Classen Parts Order Today. You have purchased a world class product one of the best designed and built anywhere. DECAL SOD CUTTER INST.
Ad Browse Our Variety Of Tools- Great Deals On Quality Products. Simply choose a link below to view manuals for that category. Sod Cutter Sc 18 5 5 Sc 18 8 0 Sc 18 5 5 Sn 000101 Up Help with Jacks Parts.
Whether your project is relocating or repositioning sod. Find Part By Name. Breach of warranty parts labor delay or business.
Classen sod cutters deliver the precise cut you need. C100016 - This is a genuine part for. Popular Classen Sod Cutter Parts Half Moon Key.
This sod cutting has been sitting inside for a few years. Ad Browse Our Variety Of Tools- Great Deals On Quality Products. There are 264 parts used by this model.
376 Options Add to Cart. Reserve Online Pickup In Store. Classen SodTurf Cutter SC18 Replacement Parts.
DIY Has Never Been Easier. Be the first to review this product. Operator and Parts Manuals for Classen turf renovation equipment are available as pdfs.
Find Part By Location. Whether Youre Shopping For New Tools Or Replacing Old Ones Lowes Is Here To Help. Classen Sod Cutter 3000 north shore pic hide this posting restore restore this posting.
Used Classen SC-18 Sod Cutter. Favorite this post Jun 4 Lawn Aerator 1700. Classen Sod Cutter SC-1855.
000101 UP. More from nearby areas change search area. About Classen For more than 30 years professional landscapers and homeowners alike have trusted Classen turf care equipment to make serious lawn care easy.
Classen_sod_turf_cutter sc18 Replacement Parts. These are the most. 2008 Classen SodTurf Cutter SC18.
This vehicle is not sold in the US or Canada. Used Turfco 512 Sod Cutter with Honda GX160 55HP Engine. Exclusive Savings On Classen Parts Order Today.
Schiller Grounds Care Del 15072017062450 Schv 18 5 5e Hydro Drive Sod Cutter 5 5hp Eu Main Frame Assy
Newstripe Hashmark Master Football Hash Mark Painter 10004800 3000psi Low Pressure Football Tennis Ball Machine
Die Bauzeichnung Und Alle Ersatzteile Der Wagner Plastcoat 25 Airless Discounter
Classen Sod Cutter Sc 18 8 0 Ereplacementparts Com
Hyundai Hl740 Tm 7 Wheel Loader Service Manual Repair Manuals Hyundai Repair
Classen Pro Sod Cutter Rental Sc180h The Home Depot Sod Cutter Commercial Landscaping Reverse Gear
Classen Sc 18 5 5 Sn 000101 To 003955 Parts Diagrams
Classen Sc 18 5 5 Sn 000101 To 003955 Parts Diagrams
2022 Classen Hsc18a5 Pro Hydro Drive For Sale In Nashville Tn Dickens Turf Landscape Supply
Classen Sod Cutter Hsc18ahd 2018 Ifixit
Hyundai Hl740 Tm 7 Wheel Loader Service Manual Repair Manuals Hyundai Repair
Classen 18 Sod Cutter Blade Replaces Classen C100016 7 Fits Sc18 Ebay
Hyundai Hl740 Tm 7 Wheel Loader Service Manual Repair Manuals Hyundai Repair
Classen Sc 12 5 5 Operator S Parts Manual Pdf Download Manualslib



